[在线作业] 地大17秋《电路分析基础》在线作业12

[复制链接]
发表于 2017-11-4 20:41:07 | 显示全部楼层 |阅读模式
地大《电路分析基础》在线作业一
一、单选题:
1.串联电路在电路发生谐振时,表现出以下特点(  )。          (满分:4)
    A.回路电流幅值达到最大
    B.回路电流达到最小
    C.电容电压幅值达到最小
    D.电容电压幅值达到最大
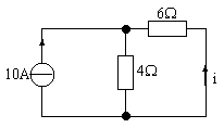
2.图示电路中电流i等于( )。<IMG SRC=\\\\\\></IMG>          (满分:4)
    A.3A
    B.-4A
    C.1A
    D.-1A
3.对于一个具有b条支路、n个节点的电路,根据KCL可列出( )个独立的KCL约束方程          (满分:4)
    A.n-1
    B.n
    C.b
    D.b-n
4.图示单口网络输出的最大功率为( )。<IMG SRC=\\\\\\></IMG>          (满分:4)
    A.-4W
    B.4W
    C.8W
    D.-16W
5.正弦交流电量的三要素有:(  )、(  )和初相角          (满分:4)
    A.有效值,角频率
    B.幅值,角频率
    C.有效值,频率
    D.幅值,频率
6.在电路分析时选择不同的参考节点(  )。          (满分:4)
    A.计算出的某元件上的电压值不同。
    B.计算出的某元件上的电压值不变。
    C.计算出的某元件上的电压值不能确定。
7.某电路的阻抗为R+jwL,说明该电路是由电阻R和(a.电容,b.电感,c.阻\\n容)相(a.并联,b.串联,c.串并联)组成。          (满分:4)
    A.a,c
    B.b,c
    C.b,\\nb,b
    D.b,a
8.如图所示电路,ab端的等效电阻R=( )。<IMG SRC=\\\\\\></IMG>          (满分:4)
    A.5Ω
    B.20Ω
    C.15Ω
    D.11Ω
9.对于一阶RL电路而言,时间常数τ = (    )。          (满分:4)
    A.R/L
    B.RL
    C.L/R
    D.以上都不对
10.电感L和电容C串联,电路的阻抗为(    )。          (满分:4)
    A.j(wL-1/wc)
    B.wL+1/wC
    C.jwL+j*1/wC
    D.以上选项都不对
11.图所示电路,10V电压源产生的功率PS = (  )。<IMG SRC=\\\\\\></IMG>          (满分:4)
    A.1W
    B.3W
    C.4W
    D.6W
12.图示正弦稳态单口网络的功率因数等于(  )。<IMG SRC=\\\\\\></IMG>          (满分:4)
    A.0.5
    B.0.6
    C.0.707
    D.0.8
13.图示单口网络的等效电阻等于( ) 。<IMG SRC=\\\\\\></IMG>          (满分:4)
    A.1Ω
    B.2Ω
    C.3Ω
    D.4Ω
14.图示电路处于正弦稳态,电感电流的振幅值等于( )。<IMG SRC=\\\\\\></IMG>          (满分:4)
    A.20A
    B.10A
    C.5A
    D.1A
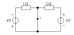
15.电路如图2所示,电流I等于(     )。<IMG SRC=\\\\\\></IMG>          (满分:4)
    A.3A
    B.5A
    C.6A
    D.7A
16.包含独立电源的线性电阻单口网络,在端口外加任意电流源存在唯一解的情况下,其端口电压电流关系(VCR)的一般形式为(  )。<IMG SRC=\\\\\\></IMG>          (满分:4)
    A.A对
    B.B对
    C.C对
    D.D对
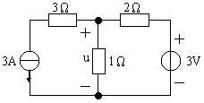
17.图示电路,电压U=( )V。<IMG SRC=\\\\\\></IMG>          (满分:4)
    A.15V
    B.10V
    C.12V
    D.8V
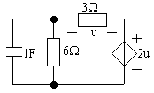
18.图示电路中电压u等于(  )。<IMG SRC=\\\\\\></IMG>          (满分:4)
    A.1V
    B.2V
    C.3V
    D.6V
19.图示电路原来稳定,开关闭合后电容电压的初始值uC(0+)等于( )。<IMG SRC=\\\\\\></IMG>          (满分:4)
    A.-2V
    B.2V
    C.6V
    D.8V
20.图示电路中电压u等于( )。<IMG SRC=\\\\\\></IMG>          (满分:4)
    A.1V
    B.-1V
    C.-2V
    D.3V
21.用电表测量市电电网电压为210伏,该电压的幅值为(    )伏,它的变化周期为(    )。          (满分:4)
    A.220,50Hz
    B.210√2,20ms
    C.220,314rad/s
    D.以上选项都不对
22.图示RLC串联电路,已知uC(0)=4V,iL(0)=2A,则电容电压的零输入响应为( )。<IMG SRC=\\\\\\></IMG><IMG SRC=\\\\\\></IMG>          (满分:4)
    A.A正确
    B.B正确
    C.C正确
    D.D正确
23.在求戴维南等效电路的等效电阻R0时,(  ) 。          (满分:4)
    A.电路中的电压源短路,电流源开路
    B.电路中的电压源开路,电流源开路
    C.电路中的电压源开路,电流源短路
    D.电路中的电压源短路,电流源短路
24.根据换路定律,uC (0_)=( );iL(0_)=(  )。          (满分:4)
    A.uC(∞),iL (∞)
    B.uC(∞),iL(0+)
    C.uC(0+),iL (∞)
    D.uC(0+),iL(0+)
25.如图所示电路,已知U=2V,则电阻R等于(  )。<IMG SRC=\\\\\\></IMG>          (满分:4)
    A.2Ω
    B.4Ω
    C.6Ω
    D.8Ω
地大《电路分析基础》在线作业二

一、单选题:
1.<IMG SRC=\\\\\\></IMG>          (满分:4)
    A.7V
    B.8V
    C.9V
    D.10V
2.图示RLC串联电路,已知uC(0)=4V,iL(0)=2A,则电容电压的零输入响应为( )。<IMG SRC=\\\\\\></IMG><IMG SRC=\\\\\\></IMG>          (满分:4)
    A.A正确
    B.B正确
    C.C正确
    D.D正确
3.如图所示电路,t<0时已处于稳态;\\nt=0时开关S闭合,则uL(0+) = (  )。\\n<IMG SRC=\\\\\\></IMG>          (满分:4)
    A.–6V
    B.6V
    C.0V
    D.3V
4.图示电路的时间常数等于(  )。<IMG SRC=\\\\\\></IMG>          (满分:4)
    A.2s
    B.4s
    C.6s
    D.-6s
5.图示正弦稳态单口网络相量模型等效阻抗的辐角为(  )。<IMG SRC=\\\\\\></IMG>          (满分:4)
    A.26.6°
    B.-26.6°
    C.45°
    D.-45°
6.对于一阶RL电路而言,时间常数τ = (    )。          (满分:4)
    A.R/L
    B.RL
    C.L/R
    D.以上都不对
7.图示电路中电流i等于(  )。<IMG SRC=\\\\\\></IMG>          (满分:4)
    A.-4A
    B.4A
    C.-6A
    D.6A
8.电路如图2所示,电流I等于(     )。<IMG SRC=\\\\\\></IMG>          (满分:4)
    A.3A
    B.5A
    C.6A
    D.7A
9.如图所示电路,ab端的等效电阻R=( )。<IMG SRC=\\\\\\></IMG>          (满分:4)
    A.5Ω
    B.20Ω
    C.15Ω
    D.11Ω
10.如图所示电路,已知道I=0A,则电路源Is产生的功率Ps=( )。<IMG SRC=\\\\\\></IMG>          (满分:4)
    A.-4W
    B.4W
    C.-2W
    D.2W
11.用三要素法解题,一般应采用(  )步骤。          (满分:4)
    A.五个
    B.四个
    C.三个
    D.二个
12.图示正弦稳态单口网络的功率因数等于(  )。<IMG SRC=\\\\\\></IMG>          (满分:4)
    A.0.5
    B.0.6
    C.0.707
    D.0.8
13.如图所示电路,已知有效值I=10A,IL=6A,则IR = (  ) 。<IMG SRC=\\\\\\></IMG>          (满分:4)
    A.16A
    B.12A
    C.8A
    D.4A
14.根据换路定律,uC (0_)=( );iL(0_)=(  )。          (满分:4)
    A.uC(∞),iL (∞)
    B.uC(∞),iL(0+)
    C.uC(0+),iL (∞)
    D.uC(0+),iL(0+)
15.图所示电路,10V电压源产生的功率PS = (  )。<IMG SRC=\\\\\\></IMG>          (满分:4)
    A.1W
    B.3W
    C.4W
    D.6W
16.如图所示电路,电路I等于( )。<IMG SRC=\\\\\\></IMG>          (满分:4)
    A.-1V
    B.1V
    C.5V
    D.-5V
17.图示电路中电压源吸收功率P等于(  )。<IMG SRC=\\\\\\></IMG>          (满分:4)
    A.-4W
    B.4W
    C.-16W
    D.16W
18.如图所示,16V电压源供出的功率( )W 。<IMG SRC=\\\\\\></IMG>          (满分:4)
    A.16W
    B.8W
    C.32W
    D.48W
19.图示单口网络输出的最大功率为( )。<IMG SRC=\\\\\\></IMG>          (满分:4)
    A.-4W
    B.4W
    C.8W
    D.-16W
20.图示单口网络的等效电阻等于( ) 。<IMG SRC=\\\\\\></IMG>          (满分:4)
    A.1Ω
    B.2Ω
    C.3Ω
    D.4Ω
21.图示电路中电压u等于( )。<IMG SRC=\\\\\\></IMG>          (满分:4)
    A.1V
    B.-1V
    C.-2V
    D.3V
22.串联电路在电路发生谐振时,表现出以下特点(  )。          (满分:4)
    A.回路电流幅值达到最大
    B.回路电流达到最小
    C.电容电压幅值达到最小
    D.电容电压幅值达到最大
23.在求戴维南等效电路的等效电阻R0时,(  ) 。          (满分:4)
    A.电路中的电压源短路,电流源开路
    B.电路中的电压源开路,电流源开路
    C.电路中的电压源开路,电流源短路
    D.电路中的电压源短路,电流源短路
24.图示单口网络等效于一个电容,其电容的数值为( )。 <IMG SRC=\\\\\\></IMG>          (满分:4)
    A.0.25F
    B.0.5F
    C.2F
    D.4F
25.电路如图1所示,电流I等于(  )。<IMG SRC=\\\\\\></IMG>          (满分:4)
    A.1A
    B.2A
    C.3A
    D.4A

地大《电路分析基础》在线作业二答案.rar

1.64 KB, 下载次数: 2, 下载积分: 贡献 1

售价: 2 金币  [记录]  [购买]

地大《电路分析基础》在线作业一答案.rar

1.9 KB, 下载次数: 2, 下载积分: 贡献 1

售价: 2 金币  [记录]  [购买]

快速回复 返回顶部 返回列表