[在线作业] 西交17秋《电子技术基础》在线作业参考

[复制链接]
发表于 2017-11-4 15:47:09 | 显示全部楼层 |阅读模式
西交《电子技术基础》在线作业
一、单选题:
1.在放大电路中引入负反馈后,对放大电路性能的影响是(       )。          (满分:2)
    A.增大放大倍数,提高放大倍数的稳定性
    B.减小放大倍数,改善非线性失真
    C.提高输入电阻,减小输出电阻
    D.减小放大倍数,消除非线性失真
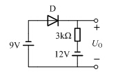
2.<img height=\\\268\\\ width=\\\576\\\ alt=\\\\\\ src=\\\\\\ />           (满分:2)
    A.A
    B.B
    C.C
    D.D
3.<img width=\\\436\\\ height=\\\184\\\ alt=\\\\\\ src=\\\\\\ />           (满分:2)
    A.A
    B.B
    C.C
    D.D
4.<img height=\\\174\\\ width=\\\598\\\ alt=\\\\\\ src=\\\\\\ />           (满分:2)
    A.A
    B.B
    C.C
    D.D
5.<img height=\\\168\\\ width=\\\590\\\ alt=\\\\\\ src=\\\\\\ />           (满分:2)
    A.A
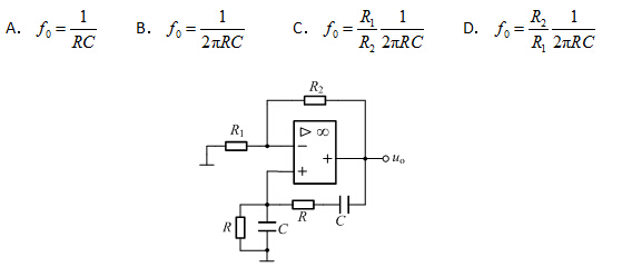
    B.B
    C.C
    D.D
6.<p>运放组成的放大电路如图所示,RF引入的级间反馈类型为( )。 </p><p><img width=\\\375\\\ height=\\\179\\\ alt=\\\\\\ src=\\\\\\ /></p>          (满分:2)
    A.串联电压负反馈
    B.串联电流负反馈
    C.并联电压负反馈
    D.并联电流负反馈
7.存储容量为8k×8的ROM,其地址线数和位线数分别为(       )。          (满分:2)
    A.12和7
    B.8和12
    C.8和13
    D.13和8
8.<p>图示桥式整流电路,变压器副边电压u<sub>2</sub>有效值为200V,负载电阻R<sub>L</sub>为100W,则变压器副边电流i<sub>2</sub>的有效值大小为( )。</p><p><img width=\\\257\\\ height=\\\105\\\ alt=\\\\\\ src=\\\\\\ /></p>          (满分:2)
    A.2A
    B.1.8A
    C.2.22A
    D.2.4A
9.<img width=\\\685\\\ height=\\\267\\\ alt=\\\\\\ src=\\\\\\ />           (满分:2)
    A.A
    B.B
    C.C
    D.D
10.<p>图示二极管应用电路中,设二极管为理想元件,则输出电压U<sub>O</sub>的大小为( )。</p><p><img width=\\\174\\\ height=\\\107\\\ alt=\\\\\\ src=\\\\\\ /></p>          (满分:2)
    A.12V
    B.−12V
    C.9V
    D.−9V
11. <img width=\\\501\\\ height=\\\214\\\ alt=\\\\\\ src=\\\\\\ />          (满分:2)
    A.A
    B.B
    C.C
    D.D
12.<img width=\\\505\\\ height=\\\135\\\ alt=\\\\\\ src=\\\\\\ />           (满分:2)
    A.A
    B.B
    C.C
    D.D
13.<img width=\\\635\\\ height=\\\277\\\ alt=\\\\\\ src=\\\\\\ />           (满分:2)
    A.A
    B.B
    C.C
    D.D
14.共集电极极放大电路的特点是(     )。          (满分:2)
    A.输入电阻大、输出电阻小;
    B.电压放大倍数大,输出电阻小;
    C.输入输出电压反相,具有功率放大能力;
    D.输入输出电压同相,电压放大倍数大
15.<img width=\\\602\\\ height=\\\253\\\ alt=\\\\\\ src=\\\\\\ />           (满分:2)
    A.A
    B.B
    C.C
    D.D
16.<p>图示电路中,二极管为理想元件,则输出电压U<sub>O</sub>为( )。</p><p><img width=\\\222\\\ height=\\\105\\\ alt=\\\\\\ src=\\\\\\ /></p>          (满分:2)
    A.18V
    B.12V
    C.10V
    D.6V
17.<img height=\\\210\\\ width=\\\705\\\ alt=\\\\\\ src=\\\\\\ />           (满分:2)
    A.A
    B.B
    C.C
    D.D
18.<img height=\\\235\\\ width=\\\675\\\ alt=\\\\\\ src=\\\\\\ />           (满分:2)
    A.A
    B.B
    C.C
    D.D
19.<img height=\\\72\\\ width=\\\594\\\ alt=\\\\\\ src=\\\\\\ />           (满分:2)
    A.A
    B.B
    C.C
    D.D
20.<img height=\\\231\\\ width=\\\636\\\ alt=\\\\\\ src=\\\\\\ />           (满分:2)
    A.A
    B.B
    C.C
    D.D
21.<img width=\\\583\\\ height=\\\168\\\ alt=\\\\\\ src=\\\\\\ />           (满分:2)
    A.A
    B.B
    C.C
    D.D
22.某10位数模转换器,当输入二进制数为0000000001时,输出为0.01V,若输入二进制数为0100100101时,输出将为(    )。          (满分:2)
    A.0.7325V
    B.1.465V
    C.2.93V
    D.5.86V
23.为了将1k×4的RAM扩展为4k×8的RAM,所需的1k×4的RAM片数为(    )          (满分:2)
    A.2片
    B.4片
    C.6片
    D.8片
24.<img width=\\\688\\\ height=\\\222\\\ alt=\\\\\\ src=\\\\\\ />           (满分:2)
    A.A
    B.B
    C.C
    D.D
25.在放大电路中引入负反馈后,对放大电路性能的影响是(       )。          (满分:2)
    A.增大放大倍数,提高放大倍数的稳定性
    B.减小放大倍数,改善非线性失真;
    C.提高输入电阻,减小输出电阻;
    D.减小放大倍数,消除非线性失真;
26.<img height=\\\179\\\ width=\\\498\\\ alt=\\\\\\ src=\\\\\\ />           (满分:2)
    A.A
    B.B
    C.C
    D.D
27.图示RC正弦波振荡电路的振荡频率为(        ) <p><img alt=\\\\\\ width=\\\559\\\ height=\\\240\\\ src=\\\\\\ /></p>          (满分:2)
    A.A
    B.B
    C.C
    D.D
28.<img width=\\\680\\\ height=\\\222\\\ alt=\\\\\\ src=\\\\\\ />           (满分:2)
    A.A
    B.B
    C.C
    D.D
29.<img width=\\\649\\\ height=\\\197\\\ alt=\\\\\\ src=\\\\\\ />           (满分:2)
    A.A
    B.B
    C.C
    D.D
30.<img width=\\\473\\\ height=\\\250\\\ alt=\\\\\\ src=\\\\\\ />           (满分:2)
    A.A
    B.B
    C.C
    D.D
三、判断题:
31.微变等效电路中不但有交流量,也存在直流量。          (满分:2)
    A.错误
    B.正确
32.放大电路中的输入信号和输出信号的波形总是反相关系。(   )          (满分:2)
    A.错误
    B.正确
33.二极管只要工作在反向击穿区,一定会被击穿损坏。          (满分:2)
    A.错误
    B.正确
34.微变等效电路不能进行静态分析,也不能用于功放电路分析。          (满分:2)
    A.错误
    B.正确
35.用万用表测试晶体管时,选择欧姆档R×10K档位。          (满分:2)
    A.错误
    B.正确
36.双极型三极管的集电极和发射极类型相同,因此可以互换使用。(  )          (满分:2)
    A.错误
    B.正确
37.集成运放在开环状态下输入与输出之间存在线性关系。(  )          (满分:2)
    A.错误
    B.正确
38.双极型晶体管是电流控件,单极型晶体管是电压控件。          (满分:2)
    A.错误
    B.正确
39.设置静态工作点的目的是让交流信号叠加在直流量上全部通过放大器。(  )          (满分:2)
    A.错误
    B.正确
40.用万用表测试晶体管时,选择欧姆档R×10K档位。(  )          (满分:2)
    A.错误
    B.正确
41.无论在任何情况下,三极管都具有电流放大能力。          (满分:2)
    A.错误
    B.正确
42.共集电极放大电路的输入信号与输出信号,相位差为180°的反相关系。          (满分:2)
    A.错误
    B.正确
43.集成运放的反相输入端为虚地时,同相端所接的电阻起平衡作用。(  )          (满分:2)
    A.错误
    B.正确
44.理想运放构成的线性应用电路电压增益与运放本身的参数无关。(  )          (满分:2)
    A.错误
    B.正确
45.“虚地”现象只存在于反相的线性应用运放电路中。(  )          (满分:2)
    A.错误
    B.正确
46.绝缘栅型场效应管的输入电流不为零。(  )          (满分:2)
    A.错误
    B.正确
47.集成运放一般分为两个工作区,它们分别是线性与非线性区。(  )          (满分:2)
    A.错误
    B.正确
48.分压式偏置共发射极放大电路是一种能够稳定静态工作点的放大器。          (满分:2)
    A.错误
    B.正确
49.“虚地”是指该点与“地”点相接后具有“地”点的电位。(  )          (满分:2)
    A.错误
    B.正确
50.集成运放使用时不接负反馈电路中的电压增益称为开环电压增益。(  )          (满分:2)
    A.错误
    B.正确

西交《电子技术基础》在线作业答案.rar

2.86 KB, 下载次数: 2, 下载积分: 贡献 1

售价: 5 金币  [记录]  [购买]

答案

快速回复 返回顶部 返回列表