[在线作业] 四川大学《数字电子技术2390》17秋在线作业12题目

[复制链接]
发表于 2017-11-3 16:53:24 | 显示全部楼层 |阅读模式
《数字电子技术2390》17秋在线作业1
一、单选题:
1.用两个半加器和一个或门构成一全加器,其正确的设计的表达式为()。          (满分:6)
    A.<IMG SRC=\\\\\\></IMG>
    B.<IMG SRC=\\\\\\></IMG>
    C.<IMG SRC=\\\\\\></IMG>
    D.<IMG SRC=\\\\\\></IMG>
2.三输入八输出译码器,对任一组输入值其有效输出个数为()          (满分:6)
    A.3个
    B.8个
    C.1个
    D.11个
3.一个容量为1K×8的存储器有(  )个存储单元。          (满分:6)
    A.8192
    B.8K
    C.8000
    D.8
4.引起组合逻辑电路竞争与冒险的原因是( )          (满分:6)
    A.逻辑关系错
    B.干扰信号
    C.电路延时
    D.电源不稳定
5.逻辑函数F=AB+AB和G=A + B满足(   )关系。          (满分:6)
    A.F=G‘
    B.F=G
    C.F‘=G‘
    D.F‘= G‘
6.在逻辑代数中,若A+B=B+C,则:( )          (满分:6)
    A.不能确定
    B.A≠C
    C.A=C
    D.B=0
7.一个无符号8位数字量输入的DAC,其分辨率为(   )位。          (满分:6)
    A.1
    B.3
    C.4
    D.8
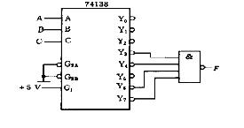
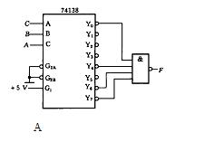
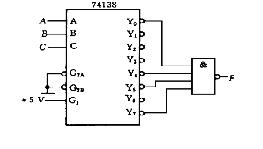
8.用译码器74138和适当的逻辑门实现函数 ,正确的连线电路为( )          (满分:6)
    A.<IMG SRC=\\\\\\></IMG>
    B.<IMG SRC=\\\\\\></IMG>
    C.<IMG SRC=\\\\\\></IMG>
    D.<IMG SRC=\\\\\\></IMG>
9.石英晶体多谐振荡器的突出优点是(   )。          (满分:6)
    A.速度高
    B.振荡频率稳定
    C.电路简单
    D.输出波形边沿陡峭
10.十进制数25用8421BCD码表示为(    )。          (满分:6)
    A.10 101
    B.0010 0101
    C.100101
    D.10101
11.<p>题面如下:</p><p><img height=\\\552\\\ width=\\\574\\\ alt=\\\\\\ src=\\\\\\ /></p>          (满分:6)
    A.a
    B.b
    C.c
    D.d
12.<img height=\\\58\\\ width=\\\535\\\ alt=\\\\\\ src=\\\\\\ />.          (满分:6)
    A.A
    B.B
    C.C
    D.D
13.<img height=\\\56\\\ width=\\\493\\\ alt=\\\\\\ src=\\\\\\ />P          (满分:6)
    A.A
    B.B
    C.C
    D.D
14.以下电路中常用于总线应用的有(  )。          (满分:6)
    A.OC门
    B.TSL门
    C.漏极开路门
    D.CMOS与非门
15.下列逻辑电路中为时序逻辑电路的是(   )。          (满分:6)
    A.变量译码器
    B.加法器
    C.数码寄存器
    D.数据选择器
三、判断题:
16.二进制数1001和二进制代码1001都表示十进制数9。          (满分:1)
    A.错误
    B.正确
17.D/A转换器的位数越多,转换精度越高。          (满分:1)
    A.错误
    B.正确
18.转换精度和转换速度是衡量A/D、D/A转换器性能优劣的主要指标。          (满分:1)
    A.错误
    B.正确
19.四位二进制数码有16种组合,其中任意10种组合均可以对应表示十进制数中的十个数码。          (满分:1)
    A.错误
    B.正确
20.组合逻辑电路没有记忆功能。          (满分:1)
    A.错误
    B.正确
21.8421BCD码即为8421码。          (满分:1)
    A.错误
    B.正确
22.<IMG SRC=\\\\\\></IMG>          (满分:1)
    A.错误
    B.正确
23.带使能端的译码器可作数据分配器使用。          (满分:1)
    A.错误
    B.正确
24.译码器是一种多路输入、多路输出的逻辑部件。          (满分:1)
    A.错误
    B.正确
25.<span lang=\\\EN-US\\\ style=\\\FONT-SIZE: 10.5pt; COLOR: black; FONT-FAMILY: 'Times New Roman'; mso-bidi-font-size: 10.0pt; mso-fareast-font-family: 宋体; mso-ansi-language: EN-US; mso-fareast-language: ZH-CN; mso-bidi-language: AR-SA\\\>TTL OC</span><span style=\\\FONT-SIZE: 10.5pt; COLOR: black; FONT-FAMILY: 宋体; mso-bidi-font-size: 10.0pt; mso-hansi-font-family: 'Times New Roman'; mso-bidi-font-family: 'Times New Roman'; mso-ascii-font-family: 'Times New Roman'; mso-ansi-language: EN-US; mso-fareast-language: ZH-CN; mso-bidi-language: AR-SA\\\>门(集电极开路门)的输出端可以直接相连,实现线与。</span>          (满分:1)
    A.错误
    B.正确
《数字电子技术2390》17秋在线作业2

一、单选题:
1.逻辑函数F=AB+AB和G=A + B满足(   )关系。          (满分:2)
    A.F=G‘
    B.F=G
    C.F‘=G‘
    D.F‘= G‘
2.<img height=\\\56\\\ width=\\\493\\\ alt=\\\\\\ src=\\\\\\ />P          (满分:2)
    A.A
    B.B
    C.C
    D.D
3.用译码器74138和适当的逻辑门实现函数 ,正确的连线电路为( )          (满分:2)
    A.<IMG SRC=\\\\\\></IMG>
    B.<IMG SRC=\\\\\\></IMG>
    C.<IMG SRC=\\\\\\></IMG>
    D.<IMG SRC=\\\\\\></IMG>
4.用555定时器构成单稳态触发器,其输出脉宽为()          (满分:2)
    A.0.7RC
    B.1.1RC
    C.1.4RC
    D.1.8RC
5.石英晶体多谐振荡器的突出优点是(   )。          (满分:2)
    A.速度高
    B.振荡频率稳定
    C.电路简单
    D.输出波形边沿陡峭
6.<img height=\\\58\\\ width=\\\535\\\ alt=\\\\\\ src=\\\\\\ />.          (满分:2)
    A.A
    B.B
    C.C
    D.D
7.单稳态触发器可作( )          (满分:2)
    A.产生正弦波
    B.延时
    C.构成D触发器
    D.构成JK触发器
8.在同步计数器中,各触发器状态改变时刻( )          (满分:2)
    A.相同
    B.不相同
    C.与触发器有关
    D.与电平相同
9.在逻辑代数中,若A+B=B+C,则:( )          (满分:2)
    A.不能确定
    B.A≠C
    C.A=C
    D.B=0
10.设主从JK触发器的初始状态为0,CP、J、K信号如图所示,其正确的触发器Q端的波形( )。\\n<IMG SRC=\\\\\\></IMG>          (满分:2)
    A.<IMG SRC=\\\\\\></IMG>
    B.<IMG SRC=\\\\\\></IMG>
    C.<IMG SRC=\\\\\\></IMG>
    D.<IMG SRC=\\\\\\></IMG>
11.下列逻辑电路中为时序逻辑电路的是(   )。          (满分:2)
    A.变量译码器
    B.加法器
    C.数码寄存器
    D.数据选择器
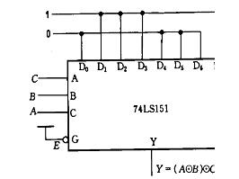
12.应用74151实现如下的逻辑功能:Y=(A⊙B)⊙C,正确的连线电路为()          (满分:2)
    A.<IMG SRC=\\\\\\></IMG>
    B.<IMG SRC=\\\\\\></IMG>
    C.<IMG SRC=\\\\\\></IMG>
    D.<IMG SRC=\\\\\\></IMG>
13.十进制数25用8421BCD码表示为(    )。          (满分:2)
    A.10 101
    B.0010 0101
    C.100101
    D.10101
14.用两个半加器和一个或门构成一全加器,其正确的设计的表达式为()。          (满分:2)
    A.<IMG SRC=\\\\\\></IMG>
    B.<IMG SRC=\\\\\\></IMG>
    C.<IMG SRC=\\\\\\></IMG>
    D.<IMG SRC=\\\\\\></IMG>
15.一个容量为1K×8的存储器有(  )个存储单元。          (满分:2)
    A.8192
    B.8K
    C.8000
    D.8
16.引起组合逻辑电路竞争与冒险的原因是( )          (满分:2)
    A.逻辑关系错
    B.干扰信号
    C.电路延时
    D.电源不稳定
17.三输入八输出译码器,对任一组输入值其有效输出个数为()          (满分:2)
    A.3个
    B.8个
    C.1个
    D.11个
18.指出下列各式中哪个是四变量A,B,C,D的最小项( )          (满分:2)
    A.ABC
    B.A+B+C+D
    C.ABCD
    D.A+B+D
19.一个无符号8位数字量输入的DAC,其分辨率为(   )位。          (满分:2)
    A.1
    B.3
    C.4
    D.8
20.<p>题面如下:</p><p><img height=\\\552\\\ width=\\\574\\\ alt=\\\\\\ src=\\\\\\ /></p>          (满分:2)
    A.a
    B.b
    C.c
    D.d
三、判断题:
21.<span lang=\\\EN-US\\\ style=\\\FONT-SIZE: 10.5pt; COLOR: black; FONT-FAMILY: 宋体; mso-bidi-font-family: 'Times New Roman'; mso-ansi-language: EN-US; mso-fareast-language: ZH-CN; mso-bidi-language: AR-SA\\\>JK</span><span style=\\\FONT-SIZE: 10.5pt; COLOR: black; FONT-FAMILY: 宋体; mso-bidi-font-family: 'Times New Roman'; mso-ansi-language: EN-US; mso-fareast-language: ZH-CN; mso-bidi-language: AR-SA\\\>触发器只要<span lang=\\\EN-US\\\>J</span>,<span lang=\\\EN-US\\\>K</span>端同时为<span lang=\\\EN-US\\\>1</span>,则一定引起状态翻转。</span>          (满分:4)
    A.错误
    B.正确
22.转换精度和转换速度是衡量A/D、D/A转换器性能优劣的主要指标。          (满分:4)
    A.错误
    B.正确
23.二进制数1001和二进制代码1001都表示十进制数9。          (满分:4)
    A.错误
    B.正确
24.四位二进制数码有16种组合,其中任意10种组合均可以对应表示十进制数中的十个数码。          (满分:4)
    A.错误
    B.正确
25.二进制并行加法器中,采用先行进位的目的是简化电路结构。          (满分:4)
    A.错误
    B.正确
26.要改变触发器的状态,必须有CP脉冲的配合。          (满分:4)
    A.错误
    B.正确
27.TTL与非门采用复合管作输出级的负载电阻,可提高TTL与非门的带负载能力。          (满分:4)
    A.错误
    B.正确
28.n变量的逻辑函数其全部最小项有n个。          (满分:4)
    A.错误
    B.正确
29.D/A转换器的位数越多,转换精度越高。          (满分:4)
    A.错误
    B.正确
30.8421BCD码即为8421码。          (满分:4)
    A.错误
    B.正确
31.单稳态触发器的暂稳态时间与输入触发脉冲宽度成正比。          (满分:4)
    A.错误
    B.正确
32.译码器是一种多路输入、多路输出的逻辑部件。          (满分:4)
    A.错误
    B.正确
33.<span style=\\\FONT-SIZE: 10.5pt; COLOR: black; FONT-FAMILY: 宋体; mso-bidi-font-size: 10.0pt; mso-hansi-font-family: 'Times New Roman'; mso-bidi-font-family: 'Times New Roman'; mso-ascii-font-family: 'Times New Roman'; mso-ansi-language: EN-US; mso-fareast-language: ZH-CN; mso-bidi-language: AR-SA\\\>因为逻辑表达式</span><span lang=\\\EN-US\\\ style=\\\FONT-SIZE: 10.5pt; COLOR: black; FONT-FAMILY: 'Times New Roman'; mso-bidi-font-size: 10.0pt; mso-fareast-font-family: 宋体; mso-ansi-language: EN-US; mso-fareast-language: ZH-CN; mso-bidi-language: AR-SA\\\>A+B+AB=A+B</span><span style=\\\FONT-SIZE: 10.5pt; COLOR: black; FONT-FAMILY: 宋体; mso-bidi-font-size: 10.0pt; mso-hansi-font-family: 'Times New Roman'; mso-bidi-font-family: 'Times New Roman'; mso-ascii-font-family: 'Times New Roman'; mso-ansi-language: EN-US; mso-fareast-language: ZH-CN; mso-bidi-language: AR-SA\\\>成立,所以</span><span lang=\\\EN-US\\\ style=\\\FONT-SIZE: 10.5pt; COLOR: black; FONT-FAMILY: 'Times New Roman'; mso-bidi-font-size: 10.0pt; mso-fareast-font-family: 宋体; mso-ansi-language: EN-US; mso-fareast-language: ZH-CN; mso-bidi-language: AR-SA\\\>AB=0</span><span style=\\\FONT-SIZE: 10.5pt; COLOR: black; FONT-FAMILY: 宋体; mso-bidi-font-size: 10.0pt; mso-hansi-font-family: 'Times New Roman'; mso-bidi-font-family: 'Times New Roman'; mso-ascii-font-family: 'Times New Roman'; mso-ansi-language: EN-US; mso-fareast-language: ZH-CN; mso-bidi-language: AR-SA\\\>成立。</span>          (满分:4)
    A.错误
    B.正确
34.OC与非门的输出端可以并联运行,实现“线与”关系,即L=L1·L2。          (满分:4)
    A.错误
    B.正确
35.门电路具有多个输入端和多个输出端。          (满分:4)
    A.错误
    B.正确


《数字电子技术2390》17秋在线作业1.rar

1.95 KB, 下载次数: 3, 下载积分: 贡献 1

售价: 2 金币  [记录]  [购买]

答案

《数字电子技术2390》17秋在线作业2.rar

2.54 KB, 下载次数: 3, 下载积分: 贡献 1

售价: 2 金币  [记录]  [购买]

答案

快速回复 返回顶部 返回列表