|
|
19春学期《机械制造工艺学(含夹具)》在线作业1
奥鹏作业答案可以联系微信 761296021
一、单选题:
1.[单选题]1、用完全互换法装配机器一般适用于()场合。
A.大批大量生产
B.高精度多环尺寸链
C.高精度少环尺寸链
D.单件小批生产
正确答案:——A——
2.[单选题]2、按极值法计算尺寸链,若组成环中的增环都是最大极限尺寸,减环都是最小极限尺寸,则封闭环的尺寸必然是()。
A.最小极限尺寸
B.基本尺寸
C.最大极限尺寸
D.理想尺寸
正确答案:——C——
3.[单选题]3、在机械产品或部件的装配中,由相关零件的()组成的尺寸链称为装配尺寸链。
A.工序尺寸
B.有关尺寸
C.工艺尺寸
D.定位尺寸
正确答案:——B——
4.[单选题]4、加工轴类零件时,安排加工顺序一般为()。
A.先加工大外圆,再加工小外圆
B.先加工小外圆,再加工大外圆
C.磨削外圆后,再加工键槽
D.淬火后再加工螺纹
正确答案:————
5.[单选题]5、()是加工前就存在的原始误差。
A.测量误差
B.刀具磨损引起的误差
C.加工原理误差
D.工艺系统热变形误差
正确答案:————
6.[单选题]6、套类零件以心轴定位车削外圆时,其定位基准是()。
A.工件外圆柱面
B.工件内孔中心线
C.心轴外圆柱面
D.心轴中心线
正确答案:————
7.[单选题]7、工艺系统受热变形引起的误差属于()。
A.工艺系统动态误差 奥鹏作业答案
B.工艺系统静态误差
C.加工原理误差
D.测量误差
正确答案:————
8.[单选题]8、由于定位副制造误差及其配合间隙所引起的定位基准在加工尺寸方向上的最大变动量,称为()。
A.定位误差
B.基准不重合误差
C.基准位移误差
D.夹具误差
正确答案:————
9.[单选题]9. 当必须保证工件上加工表面与不加工表面之间的相互位置要求时,应以()作为粗基准。
A.加工表面
B.不加工表面
C.加工精度要求高的表面
D.加工精度要求低的表面
正确答案:————
10.[单选题]10、加工轴类零件时,常用两个中心孔作为()。
A.粗基准
B.粗基准和精基准
C.装配基准
D.定位基准和测量基准
正确答案:————
三、判断题:
11.[判断题]2.工件夹紧后,位置不动了,其所有自由度就都被限制了.
A.错误
B.正确
正确答案:————
12.[判断题]4、细长轴类零件的冷校直会产生内应力。
A.错误
B.正确
正确答案:————
13.[判断题]3、现代化的大量生产都采用工序分散原则。
A.错误
B.正确
正确答案:————
14.[判断题]4.在工艺文件上用以标定被加工表面位置所采用的基准叫定位基准。
A.错误
B.正确
正确答案:————
15.[判断题]5、表面微观几何性质仅指表面粗糙度。
A.错误
B.正确
正确答案:————
16.[判断题]3、误差复映是由于工艺系统受力变形所引起的。
A.错误
B.正确
正确答案:————
19春学期《机械制造工艺学(含夹具)》在线作业2
一、单选题:
1.[单选题]14、当需要对已设计的图样进行校核验算时,利用与装配精度有关的零件基本尺寸及偏差,通过求解装配尺寸链,计算这些零件装配后的装配精度是否满足设计要求,这种计算称为()。
A.正计算
B.反计算
C.中间计算
D.解尺寸链计算
正确答案:——A——
2.[单选题]1、用完全互换法装配机器一般适用于()场合。
A.大批大量生产
B.高精度多环尺寸链
C.高精度少环尺寸链
D.单件小批生产
正确答案:——A——
3.[单选题]4、磨削主轴锥孔时,不宜使用的夹具是()。
A.中心架
B.剖分轴承式支承
C.V型磨具
D.三爪卡盘
正确答案:——D——
4.[单选题]12、机械加工工序顺序的安排按照先基面后其他、先粗后精、()的原则。
A.先孔后面
B.先主后次
C.先外后内
D.先上后下
正确答案:————
5.[单选题]14、在下列车床类夹具中,基本特征是夹具体为一大圆盘形零件,装夹的工件形状较复杂的一般是()车床夹具。
A.心轴类
B.角铁类
C.卡盘类
D.花盘类
正确答案:————
6.[单选题]9、箱体零件常用的材料一般为()。
A.优质碳素结构钢
B.灰口铸铁
C.铜
D.铝
正确答案:————
7.[单选题]12、在装配尺寸链中,查找组成环一般是以()两端的两个零件为起点,沿着装配精度要求的方向进行。
A.封闭环
B.增环
C.减环
D.某一零件尺寸
正确答案:————
8.[单选题]3、在普通卧式车床上加工外圆表面时,误差敏感方向为()
A.主运动方向
B.进给运动方向
C.加工表面切向
D.加工表面法向
正确答案:————
9.[单选题]16、工件以内孔在心轴上定位时,若心轴与内孔采用过盈配合,当工件定位内孔直径的公差值为0.01时,所产生的基准位移误差()。
A.0
B.0.005
C.0.01
D.0.02
正确答案:————
10.[单选题]9、镗床夹具的引导支架布置形式中可以满足加工同轴线的多个短孔的是()。
A.单面前导向
B.单面后导向
C.单面双导向
D.双面单导向
正确答案:————
三、判断题:
11.[判断题]6、轻型零件4000件,属于大批生产。
A.错误
B.正确
正确答案:————
12.[判断题]3、特种加工方法的加工精度较低。
A.错误
B.正确
正确答案:————
13.[判断题]2、零件表面粗糙度越低,抗疲劳能力越强。
A.错误
B.正确
正确答案:————
14.[判断题]10、零件结构工艺性是指在满足使用要求的前提下零件制造的可行性和外形设计的美观性。
A.错误
B.正确
正确答案:————
15.[判断题]3、在调整法加工时,定位误差的大小等于工序基准在工序尺寸方向上的变动量。
A.错误
B.正确
正确答案:————
16.[判断题]1、在普通车床上加工零件时,每转动一次四方刀架就算作一个工步。
A.错误
B.正确
正确答案:————
19春学期《机械制造工艺学(含夹具)》在线作业3
一、单选题:
1.[单选题]2、对于直径相差较大的阶梯轴和比较重要的轴,它的毛坯应选择()。
A.型材
B.锻件
C.铸件
D.焊件
正确答案:——B——
2.[单选题]2、根据零件加工端面的要求和六点定位原理,图中工件需要限制( )个自由度。
A.2
B.3
C.4
D.5
正确答案:——B——
3.[单选题]25、加工原理误差可能是由于()造成的。
A.机床导轨直线度误差
B.工件热变形
C.刀具磨损
D.采用近似的刀刃轮廓
正确答案:——D——
4.[单选题]11. 统一基准原则的好处在于()。
A.一次安装加工多个表面
B.减少安装次数
C.简化夹具设计和制造
D.加工余量均匀
正确答案:————
5.[单选题]15、工件以外圆在V形块上定位时,若不考虑V形块的制造误差,在V形块对称面方向上,因工件外圆的制造误差,会产生基准位移误差。当工件外圆直径的公差值为T时,所产生的基准位移误差()。
A.等于T/2
B.等于T
C.大于T/2
D.小于T/2
正确答案:————
6.[单选题]3、下列不属于装配工作的是()。
A.清洗
B.热处理
C.连接
D.平衡
正确答案:————
7.[单选题]1、采用镗模法加工箱体孔系时,孔系位置精度主要取决于()。
A.机床主轴精度
B.机床导轨的直线度
C.镗模的精度
D.机床的传动精度
正确答案:————
8.[单选题]21、在保证质量的前提下,对装配工人的技术水平要求较低的装配方法是()。
A.完全互换装配法
B.分组装配法
C.修配装配法
D.调整装配法
正确答案:————
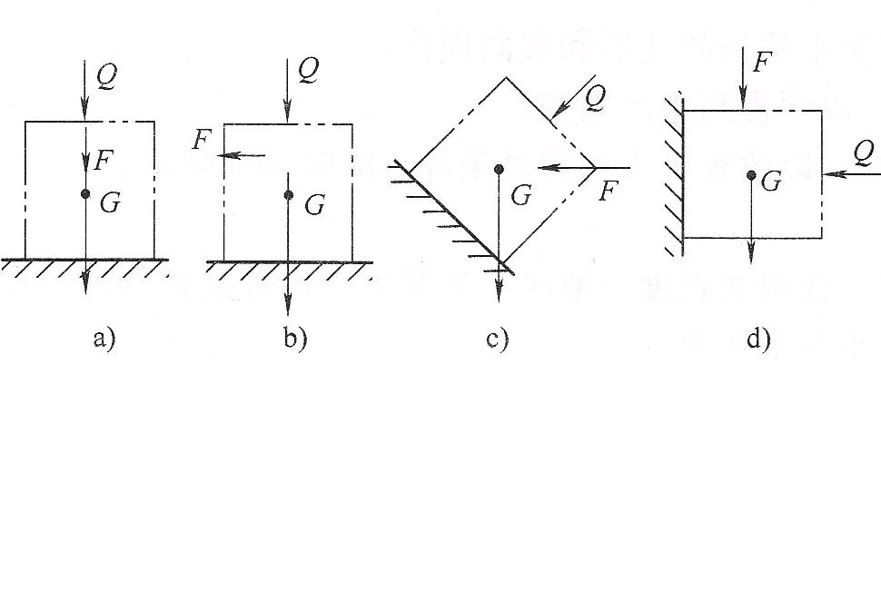
9.[单选题] 17、如图所示,各夹紧方案中,()夹紧方案符合夹紧力方向应使所需的夹紧力尽可能小的原则
A.方案a
B.方案b
C.方案c
D.方案d
正确答案:————
10.[单选题]2、机床夹具中需要考虑静平衡要求的是()夹具。
A.车床
B.钻床
C.镗床
D.铣床
正确答案:————
三、判断题:
11.[判断题]4.在工艺文件上用以标定被加工表面位置所采用的基准叫定位基准。
A.错误
B.正确
正确答案:————
12.[判断题]1、在装配尺寸链中,封闭环就是装配精度要求。
A.错误
B.正确
正确答案:————
13.[判断题]8、生产纲领包括一定的备品和废品的数量。
A.错误
B.正确
正确答案:————
14.[判断题]8、表面粗糙度值越小,零件表面越光滑,摩擦阻力越小,零件越耐磨。
A.错误
B.正确
正确答案:————
15.[判断题]6、在尺寸链中必须有减环。
A.错误
B.正确
正确答案:————
16.[判断题]5、铣床夹具体设计时尽可能升高夹具的重心。
A.错误
B.正确
正确答案:————
附件是答案,请核对题目下载
|
|