|
|
19春学期《电路原理》在线作业1
奥鹏作业答案可以联系QQ 761296021
一、单选题:
1.[单选题]图中所示电路C=0.1F,R=10Ω,求冲击响应i为( ) 。 A 0.1d(t)-0.1e-t1(t)A B -0.1e-t1(t)A C其它
A.A
B.B
C.C
D.D
正确答案:——A——
2.[单选题]如图理想变压器的电压方程为( )。A u1=nu2 , B u1=-nu2 , C 其它
A.A
B.B
C.C
D.D
正确答案:——A——
3.[单选题]8-1 图中所示电路L=0.2H,R=2Ω,求冲击响应i为( ) 。 A 5e-t1(t)A B 0 C其它
A.A
B.B
C.C
D.D
正确答案:——A——
4.[单选题]图中,L=20mH, C=50pF, R=1kW, Ù=10Ð00 V。电路的谐振频率w0为( )弧度/秒 。A 106 其它 B 159155 C 
A.A
B.B
C.C
D.D
正确答案:————
5.[单选题]图中所示为矩形脉冲,试求其象函数F(S)为( )。 A (1/S)(1-e-St0) B 1/S C其它
A.A
B.B
C.C
D.D
正确答案:————
三、判断题:
6.[判断题]R=15Ω, L=0.3mH, C=0.2mF,U=5V,f=3*104Hz .电压UL=8.42V 。( )
A.错误
B.正确
正确答案:————
7.[判断题]星形联接的三相电路可以是三线制也可以是四线制。( )
A.错误
B.正确
正确答案:————
8.[判断题]图中电流I1=6A。( ) 无忧答案网
A.错误
B.正确
正确答案:————
9.[判断题]己知:US=30V,R3=1Ω,R1=2Ω,R2=7Ω. 则电压Ubc=-6V。( )
A.错误
B.正确
正确答案:————
10.[判断题]Z12等于双口网络输入端开路时的转移阻抗。( )
A.错误
B.正确
正确答案:————
11.[判断题]正弦电路的无功功率Q=UISinj。( )
A.错误
B.正确
正确答案:————
12.[判断题]电路中的开关断开已经很久,t=0时闭合开关,电压uL(0)=-1V 。( ) 
A.错误
B.正确
正确答案:————
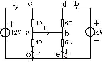
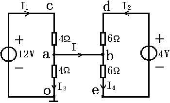
13.[判断题]图中电位Ud=4V 。( )
A.错误
B.正确
正确答案:————
14.[判断题]正弦电路的平均功率P=UICosj。( )
A.错误
B.正确
正确答案:————
15.[判断题]己知:US=10V,R3=1Ω,R1=2Ω,R2=7Ω. 则c点的电位Uc=-7V。( )
A.错误
B.正确
正确答案:————
16.[判断题] 非正弦电路的谐波阻抗是随着谐波的频率不同而变化的。( )
A.错误
B.正确
正确答案:————
17.[判断题]己知:US=10V,R3=1Ω,R1=2Ω,R2=7Ω. 则b点的电位Ub=9V。( )
A.错误
B.正确
正确答案:————
18.[判断题]电流表A1的读数为5A, A2为20A, A3为25A,电流表A的读数为7.07A。( )
A.错误
B.正确
正确答案:————
19.[判断题]Z21等于双口网络输出端短路时的转移阻抗。( )
A.错误
B.正确
正确答案:————
20.[判断题] Y22等于双口网络输入端开路时的输出导纳。 ( )N
A.错误
B.正确
正确答案:————
19春学期《电路原理》在线作业2
一、单选题:
1.[单选题]8-1 图中所示电路L=0.2H,R=2Ω,求冲击响应i为( ) 。 A 5e-t1(t)A B 0 C其它
A.A
B.B
C.C
D.D
正确答案:——A——
2.[单选题]图中,L=20mH, C=50pF, R=1kW, Ù=10Ð00 V。电路的谐振频率w0为( )弧度/秒 。A 106 其它 B 159155 C 
A.A
B.B
C.C
D.D
正确答案:——A——
3.[单选题]如图空心变压器的输出的特性方程为( )。A u2=L1(di2/dt)-M(di1/dt), B u2=L2(di2/dt)-M(di12/dt), C 其它
A.A
B.B
C.C
D.D
正确答案:——B——
4.[单选题]路图中的时间常数为( )。A t =103 B t =10-3 C 其它
A.A
B.B
C.C
D.D
正确答案:————
5.[单选题]图中所示电路C=0.1F,R=10Ω,求冲击响应i为( ) 。 A 0.1d(t)-0.1e-t1(t)A B -0.1e-t1(t)A C其它
A.A
B.B
C.C
D.D
正确答案:————
三、判断题:
6.[判断题]图中电位Ue=4V 。( )
A.错误
B.正确
正确答案:————
7.[判断题]图中I5=4A。( )
A.错误
B.正确
正确答案:————
8.[判断题]图中复阻抗Z=R+jwL-j[1/(wC)]。( )
A.错误
B.正确
正确答案:————
9.[判断题]图中电位Ud=8V 。( )
A.错误
B.正确
正确答案:————
10.[判断题]己知:US=30V,R3=1Ω,R1=2Ω,R2=7Ω. 则电压Ubc=-6V。( )
A.错误
B.正确
正确答案:————
11.[判断题]图中70V电压源发出的功率P70=420W。( )
A.错误
B.正确
正确答案:————
12.[判断题]图示电路,t=0 时将开关K闭合,t<0时电路已达稳态,电流i1(0)=5 mA 。( ) 
A.错误
B.正确
正确答案:————
13.[判断题]串联谐振是含有电感和电容的电路中的电复阻抗Z的虚部X=0时产生的。( )
A.错误
B.正确
正确答案:————
14.[判断题]对称三相电源线电压为380V,Z=6+j4W, Zl =2+j2W。则负载Z的相电流IP=22A。( )
A.错误
B.正确
正确答案:————
15.[判断题]图中 US=10V, R=10Ω, IS=-1A。则电压U=0V 。( )
A.错误
B.正确
正确答案:————
16.[判断题]正弦电路的平均功率P=UICosj。( )
A.错误
B.正确
正确答案:————
17.[判断题]电流表A1的读数为5A, A2为20A, A3为25A,电流表A的读数为7.07A。( )
A.错误
B.正确
正确答案:————
18.[判断题]图中 US=10V, R=10Ω, IS=1A。则电压U=20V 。( )
A.错误
B.正确
正确答案:————
19.[判断题]换路定律是指换路瞬间电容电压与电感电流不跳变,即uC(0+)=uC(0-)和iL(0+)=iL(0-)。( )
A.错误
B.正确
正确答案:————
20.[判断题]图示电路,t=0 时将开关K闭合,t<0时电路已达稳态,电压u2(0)=10V 。( )
A.错误
B.正确
正确答案:————
19春学期《电路原理》在线作业3
一、单选题:
1.[单选题]图中,L=20mH, C=50pF, R=1kW, Ù=10Ð00 V。求电路的电流I为 ( ) mA 。A I=¥ B I=10 C 其它
A.A
B.B
C.C
D.D
正确答案:——B——
2.[单选题]图中t³0时uc(t)为( )。A u(t)=12e-0.25t B u(t)=12-12e-0.25t C 其它
A.A
B.B
C.C
D.D
正确答案:——A——
3.[单选题]图中t³0时iL(t) 为( )。A iL(t)=3e-4t B iL(t)=3-3e-4t C 其它
A.A
B.B
C.C
D.D
正确答案:——A——
4.[单选题]图中所示电路L=0.2H,R=2Ω,求冲击响应u为( ) 。 A -e-t1(t) V B d(t)-e-t1(t) V C其它
A.A
B.B
C.C
D.D
正确答案:————
5.[单选题]图中,L=20mH, C=50pF, R=1kW, Ù=10Ð00 V。电路的谐振频率w0为( )弧度/秒 。A 106 其它 B 159155 C 
A.A
B.B
C.C
D.D
正确答案:————
三、判断题:
6.[判断题]图中 US=10V, R=10Ω, IS=-1A。则电流I=1A 。( )
A.错误
B.正确
正确答案:————
7.[判断题]多个复阻抗串联时,总阻抗Z=Z1+Z2+Z3+……。( )
A.错误
B.正确
正确答案:————
8.[判断题]图中I2=-6A。( )
A.错误
B.正确
正确答案:————
9.[判断题]Z12等于双口网络输入端开路时的转移阻抗。( )
A.错误
B.正确
正确答案:————
10.[判断题]图中 US=10V, R=10Ω, IS=1A。则电流=-1A 。( )
A.错误
B.正确
正确答案:————
11.[判断题]图中6V电压源自发出的功率P6=12W。( )
A.错误
B.正确
正确答案:————
12.[判断题]多个复阻抗并联时,总阻抗Z=Z1+Z2+Z3+……。( )
A.错误
B.正确
正确答案:————
13.[判断题] 非正弦电路的谐波阻抗是随着谐波的频率不同而变化的。( )
A.错误
B.正确
正确答案:————
14.[判断题]己知:US=30V,R3=1Ω,R1=2Ω,R2=7Ω. 则电压Uco=21V。( )
A.错误
B.正确
正确答案:————
15.[判断题]正弦电路的平均功率P=UIcosj。( )
A.错误
B.正确
正确答案:————
16.[判断题]图中 R1=6Ω, R2=4 Ω, R3=3 Ω, US1=12V, US2=24V。则US2输出的电功率为240W。( ) 
A.错误
B.正确
正确答案:————
17.[判断题]图中 R1=6Ω, R2=4 Ω, R3=3 Ω, US1=12V, US2=24V。则电流I2=-6A.( )
A.错误
B.正确
正确答案:————
18.[判断题]正弦电路的无功功率Q=UISinj。( )
A.错误
B.正确
正确答案:————
19.[判断题]图中I3=1A。( )
A.错误
B.正确
正确答案:————
20.[判断题]已知 R=1Ω, C=1F, a=2。 e(t)=d(t)V时的uC(t)=e-t 1(t)V( ) 。 
A.错误
B.正确
正确答案:————
附件是答案,请核对题目下载
|
|